FOM6027P2.8-RS
|
Model |
Omnidirectional Electret Condenser Microphone |
|||
|
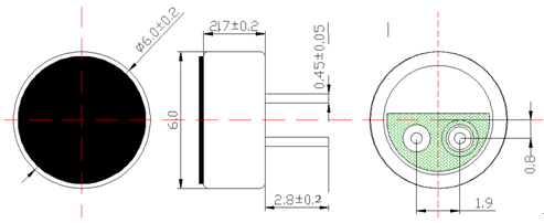
Dimension |
Diameter:6.0mm¡À0.2 |
Height :2.7mm¡À0.2 |
Pin:2.8mm¡À0.2 |
|
|
Sensitivity |
-42¡À3dB (0dB=1V/Pa,1kHz) |
|||
|
Schematic |
|
|||
|
|
||||
|
No |
Item |
Specification |
||
|
1 |
Sensitivity |
-42¡À3dB (0dB=1V/Pa,1kHz) |
||
|
2 |
Impedance |
2.2K¦¸ |
||
|
3 |
Directivity |
Omnidirectional |
||
|
4 |
Frequency |
20-20,000Hz |
||
|
5 |
Standard operation voltage |
2v |
||
|
6 |
Max. Operation voltage |
10V |
||
|
7 |
Current consumption |
Max.0.5mA |
||
|
8 |
Sensitivity reduction |
Within -3dB at 1.5V |
||
|
9 |
S/N ratio |
More than 58dB |
||
|
10 |
Comply with |
RoHS |
||
|
Typical Frequency Response Curve |
||||
|
|
||||
|
Dimension Drawing |
||||
|
|
||||
|
Cautions: |
||||
|
The soldering copper of smaller type of less than 20W shall be applied. The temperature of the working surface of the soldering hopper shall be below 320¡æ. E.C.M shall be soldered fixed on the metal block (heat sink) which has the higher radiation effects, Said heat sink shall contact with each of E.C.M. The soldering time for each terminal shall be 1~2 sec. The pin hole soldering shall be avoided. 6.E.C.M may easily destroyed by the static electrify, and the countermeasure for eliminating the static electricity (the ground for soldering copper, for worktable and for human body) shall be executed. |
||||
Data download:FOM6027P2.8-RS.rar





